Classic Filterless Hoods

Klasik Filtresiz Davlumbazlar, yağ ve su buharının bulunmadığı proseslerde, özellikle ortamdaki havanın uzaklaştırılması amacıyla kullanılır. Bu tür davlumbazlar, kaynak dumanı atımı gibi uygulamalarda da etkili bir şekilde kullanılabilir. Davlumbaz çevresini kaplayan yoğuşma kanalı, buhar ve nem yönetiminde önemli bir rol oynar.

Üretimde AISI 304 paslanmaz çelik kullanılırken, müşteri talebine bağlı olarak galvaniz veya AISI 316 paslanmaz saç seçenekleri de sunulmaktadır. Davlumbaz gövdesi fırçalanmış görünümlü AISI 304 kalite paslanmaz saçtan yapılmış ve ana elemanlar, kolay montaj sağlayan sızdırmaz bağlantılarla birleştirilmiştir. Gerekli yerlerde sızdırmazlık elemanları veya kaynaklı bağlantılar kullanılmıştır. Davlumbazın köşeleri yuvarlatılmış, çapaktan arındırılmış ve yoğuşma kanalına sahiptir. Alt köşeler zararlı suların damlamasını engellemek için sızdırmaz şekilde kaynaklı imalat ile birleştirilmiştir. Bu tasarım, davlumbazın hem işlevsel hem de dayanıklı olmasını sağlar.

Classic Filterless Hoods

General Features

  • X Klasik Filtresiz Davlumbaz, yağ ve su buharının olmadığı proseslerde havanın uzaklaştırılması amacıyla kullanılmaktadır.
  • X Kaynak dumanı atımı için de kullanılabilir.
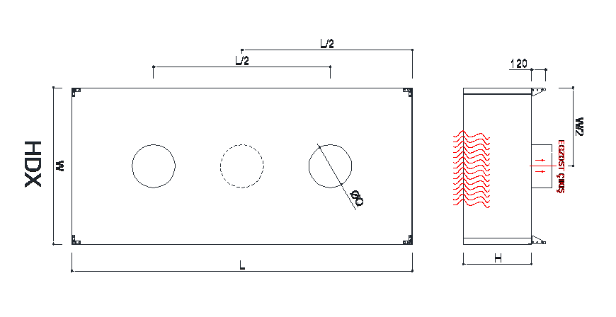
  • X It has a condensation duct that encircles the hood.
  • X AISI 304 paslanmaz çelikten üretilmektedir ve müşteri isteğine göre galvaniz veya AISI 316 paslanmaz sacdan da üretilebilir.
  • X Davlumbaz gövdesi fırçalanmış görünümlü AISI 304 Kalite paslanmaz saçtan üretilmiş ve ana elemanlar kolay monte edilebilen sızdırmaz bağlantılarla toplanmıştır.
  • X Köşeleri yuvarlatılmış, çapaktan arındırılmış ve alt köşeler zararlı suların damlamasını engelleyecek şekilde sızdırmaz kaynaklı imalatla birleştirilmiştir.

Material

Standard

Option

Material

AISI 304 quality stainless steel sheet

AISI 316 quality stainless steel sheet or galvanized

Body Sheet Thickness

0.8 mm

1 and 1.2 mm

Depth

400 - 600 mm

Exhaust Outlets

Circular cross-section (Φ315 mm)

Square or rectangular cross-section

Fresh Air Inlets

Circular cross-section (Φ250 mm)

Square or rectangular cross-section

Lighting

LED Lamp

Filter Material

0.6 mm 304 quality stainless

Dimensioning

Duvar Tipi Klasik Filtresiz Davlumbaz
Classic Filterless Hoods

LENGTH (L)

DEPTH (W)

HEIGHT (H)

Q

Q1

AYDINLATMA
MODÜL SAYISI

NUMBER OF EXHAUST CONNECTIONS

TAZE HAVA BAĞLANTI SAYISI

500.…1700

500….1800

400/600

Ø315

-

-

1

-

1700….2950

400/600

Ø315

-

-

2

-

Learn More from the Experts Search Now +90 506 131 26 66