Double Walled Jet Nozzle
The Double Wall Jet Nozzle offers a user-friendly design that makes it easy to direct the air flow. Its manually adjustable structure and ability to rotate 360° vertically and ±30° horizontally around its own axis is ideal for long-distance air throws. In this way, it provides significant savings in duct work and effectively delivers conditioned air to areas that are difficult to reach due to the physical conditions of the environment. With these features, the Double Wall Jet Nozzle offers both a functional and efficient air distribution solution.
General Features
- X It can be easily adjusted by hand to direct the air.
- X It can be rotated 360° vertically and ±30° horizontally around its own axis.
- X Used for long distance shooting. Saves on channel labor.
- X It delivers conditioned air to areas that are difficult to reach due to the physical conditions of the environment.
Material
- STANDARD: Production from aluminum profile
- OPTIONAL X
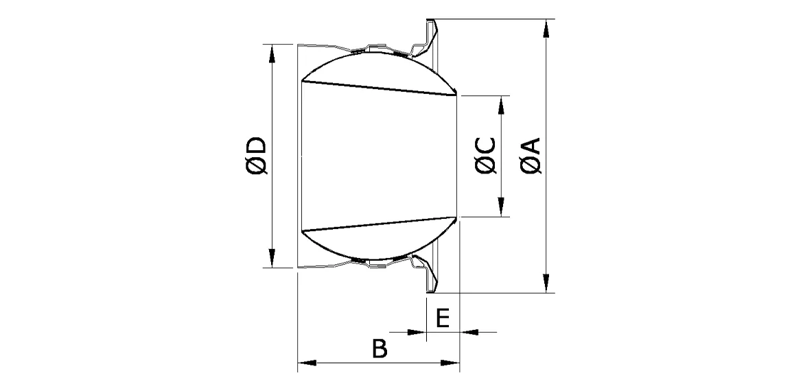
Case Types / Dimensioning
NOTE: In case it is motorized, B dimension is 550 mm
|
SIZE |
ØD |
ØA |
ØC |
B |
E |
|
Ø250 |
248 |
305 |
134 |
150 |
34 |
|
Ø315 |
313 |
367 |
178 |
228 |
40 |
|
Ø400 |
398 |
488 |
228 |
290 |
48 |
Surface Coating
- STANDARD: RAL 9010 or RAL 9016 Electrostatic Powder Coating
- OPTIONAL: Different RAL color codes and unpainted manufacturing
Election Table
| |||||||
Measure | Flow rate (m3/h) | Effective Speed [m/s] | Sound Power Level [dB] | Pressure Loss [Pa] | Shooting Distance (x) [m] | ||
0.25 m/s | 0.5 m/s | 1 m/s | |||||
Ø250 | 100 | 2 | <15 | 2 | 7 | 4 | 2 |
150 | 3 | <15 | 5 | 11 | 5 | 3 | |
200 | 4 | <15 | 9 | 14 | 7 | 4 | |
300 | 6 | <15 | 20 | 21 | 11 | 5 | |
400 | 8 | <15 | 36 | 28 | 14 | 7 | |
500 | 10 | 16 | 55 | 35 | 18 | 9 | |
600 | 12 | 23 | 79 | 42 | 21 | 11 | |
Ø315 | 100 | 1 | <15 | 1 | 5 | 3 | 1 |
190 | 2 | <15 | 3 | 10 | 5 | 3 | |
370 | 5 | <15 | 11 | 20 | 10 | 5 | |
550 | 7 | <15 | 24 | 30 | 15 | 7 | |
730 | 9 | <15 | 43 | 40 | 20 | 10 | |
910 | 11 | 19 | 66 | 49 | 25 | 12 | |
1000 | 12 | 23 | 79 | 54 | 27 | 14 | |
Ø400 | 260 | 2 | <15 | 2 | 11 | 6 | 3 |
580 | 4 | <15 | 9 | 25 | 12 | 6 | |
740 | 5 | <15 | 15 | 31 | 16 | 8 | |
900 | 6 | <15 | 22 | 38 | 19 | 10 | |
1060 | 8 | <15 | 31 | 45 | 22 | 11 | |
1380 | 10 | <15 | 52 | 59 | 29 | 15 | |
1540 | 11 | 19 | 64 | 65 | 33 | 16 | |
1700 | 12 | 23 | 78 | 72 | 36 | 18 | |
Mounting Options / Hole Sizes
| Mounting Method | Detail |
| Screw | ![]() |
| Kanala | ![]() |
Accessories
- X Motor

